储能系统及其相关参数
逆变器手册阅读指南
——以禾迈Hybrid/AC-coupled Inverter为例,该系列是单相混合逆变器(可接光伏、储能、电网)
模式
自发自用模式Self-Consumption Mode
有太阳光时: 光伏板从太阳接收到的电量:
- 优先提供给负载
- 满足负载的基础上,电量提供给电池
- 电池充满或电池充电功率已达最大的基础上,可以向电网送电。如果不送电,可以限制太阳能板的发电功率
无太阳光时:
- 电池优先给负载供电
- 在电池不足以供电负载的情况下,电网给负载供电。
- 在自发自用模式中,无太阳光时,不允许电网给电池充电。
因此白天阳光充足的情况下:电表基本不转或倒转(向电网送电)
经济模式Economical Mode
= 分时电价管理模式
充电、放电时间需要人为设定。一般是让系统在电价低时充电,电价高时放电,从而最大化节省电费。
- 在人为设定的充电时间,用电网给电池充电。(不在意此时太阳能是否充足)
- 在人为设定的放电时间,用电池给负载供电
备电模式Backup Mode
设定一个SOC阈值,保证未停电前,电池始终都有足够的能量,停电后电池能保持只为关键负载提供能量
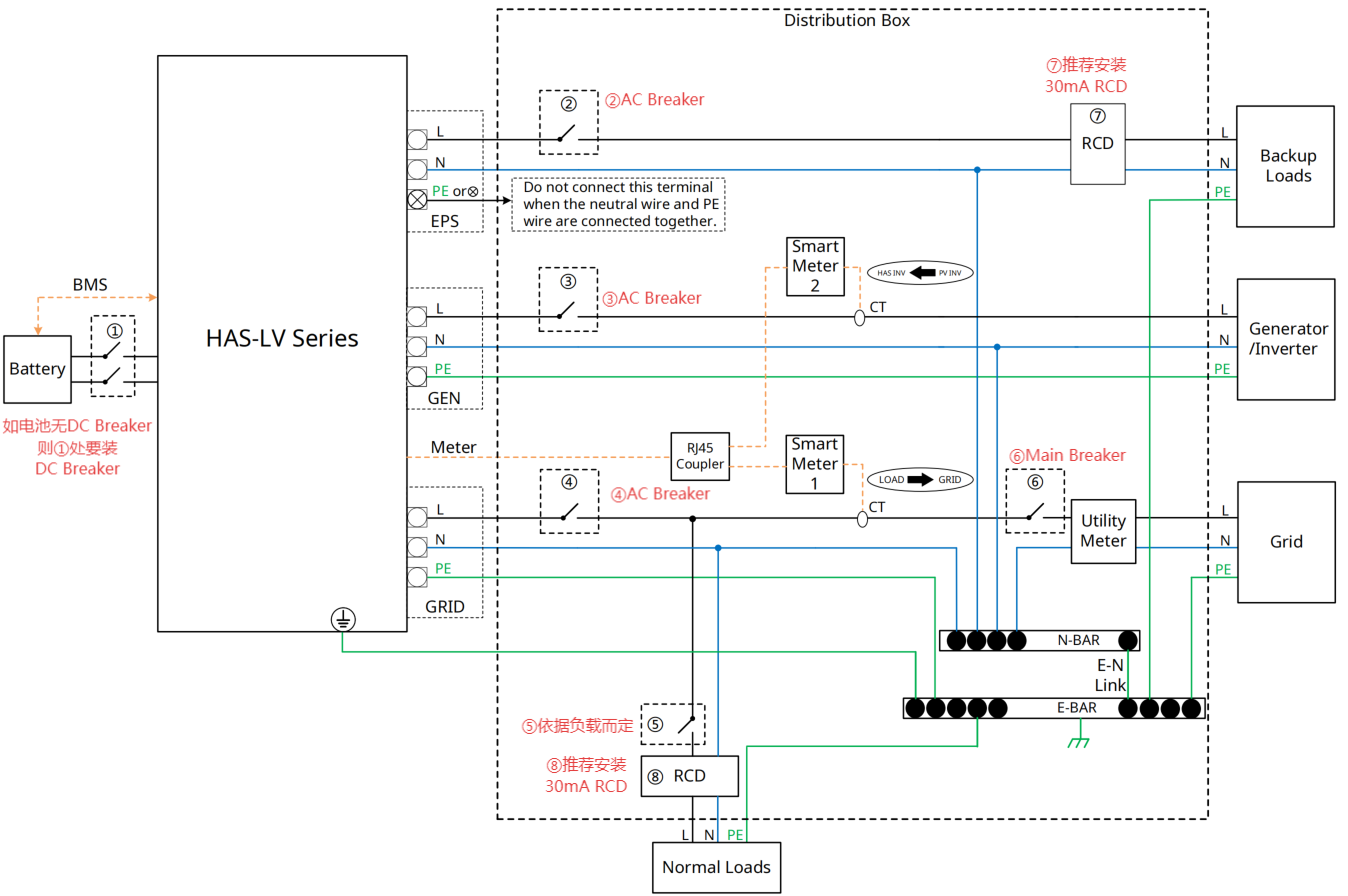
Diagram接线
Australia, New Zealand, South Africa, etc.
- 中性线、地线接在一起:

Australia, New Zealand, South Africa, etc.
- 中性线和地线分离:

其他接线
- 已有一个稳定的光伏-并网系统时(仅光伏源),混合逆变器也可以接这个已存在于系统中的光伏逆变器(此光伏逆变器要有过频保护),且这个可能与柴油发电机共用接口来连接混合逆变器。因为他们都是交流电。
如何给自己设计储能系统
一、明确自家的需求和目的
利用峰谷电价省钱为目的
白天用光伏发的电,晚上用电网的电。利用峰谷电价,白天电价贵时用光伏,晚上电价便宜时用电网,降低总用电成本。
应急备用为目的
UPS/Backup。为了在市电停电时,为家里的关键设备(如照明、冰箱、路由器、空调)提供电力。
完全脱离电网为目的(Off-Grid)
彻底不依赖国家电网,所有用电都由光伏和电池供应。这对系统容量、预算和管理的要求非常高,通常适用于偏远地区。
以Off-Grid为例计算需求电量
需要计算的电量:停电期间运行所有电器和设备所需的总电量。这个可以通过把所有计划用逆变器支持使用的电器的额定功率加起来得出。
如,假设我家有如下电器:
| 用电设备 | 功率 (W) | 数量 | 总功率 (W) | 每天使用小时数 | 每天总用电量(Wh/天) | | ———– | —— | — | ————- | ——- | ——————– | | 冰箱(key) | 200 | 1 | 200(实际上不连续工作) | 24 | 估日均耗电 1200 Wh | | 路由器(key) | 10 | 1 | 10 | 24 | 10W × 24h = 240 Wh | | 摄像头(key) | 5 | 2 | 10 | 24 | 10W × 24h = 240 Wh | | 电视 | 150 | 1 | 150 | 5 | 150W × 5h = 750 Wh | | LED灯 (客厅) | 10 | 10 | 100 | 6 | 100W × 6h = 600 Wh | | 洗衣机 | 800 | 1 | 800 | 0.5 | 800W × 0.5h = 400 Wh | | 空调 (1匹) | 1000 | 1 | 1000 | 8 (夏季) | 1000W × 8h = 8000 Wh | | 电脑 | 300 | 1 | 300 | 4 | 300W × 4h = 1200 Wh | | 合计 (峰值) | | | 2570 | | 12630 | 那么,
每天的总用电量 (Wh/天) = Σ (单个设备功率 × 数量 × 每天使用小时数) ≈ 13kWh。
其中Key设备的总用电量是1.68kWh。
基于最坏情况下的用电需求,比如电器全开的时候,峰值功率是2570W。 ——逆变器的额定功率(单位伏安 (VA) )一定要大于这个峰值功率。
二、选型组件
根据上述的Off-Grid例子的条件进行举例选型:
每天的总用电量 (Wh/天) = Σ (单个设备功率 × 数量 × 每天使用小时数) ≈ 13kWh。
其中Key设备的总用电量是1.68kWh。
光伏板
功率计算:需要的光伏总功率 ≈日总用电量 / 当地有效日照小时数 为了在阴雨天和季节变化时仍有足够电力,通常将光伏功率在计算结果上 增加 20%-30%
中国大部分地区,当地有效日照小时数在 3.5 - 4.5 小时之间,假设取4小时,则所需光伏功率为: 13 kWh / 4 h ≈ 3.25 kW
留30%冗余后,最终光伏功率为: 3.25 kW × 1.3 ≈ 4.23 kW
所以,可以考虑选择一个 5kW 的光伏系统
储能电池
容量计算 (kWh):电池容量 ≈ 日总用电量 × 希望自给的天数 由于电池不能100%使用。为了保护电池寿命,通常只会用到其额定容量的 80%-90%,因此电池容量在上述计算结果的基础上要再除 0.8或0.9
自给天数:指在连续阴雨无光照的情况下,电池能支撑家庭正常用电的天数
- 应急备用模式:1天就够。 - 追求可靠性:2-3天更佳。 - 完全离网:可能需要3-5天甚至更多。
假设我希望有2天的自给能力,则所需电池容量为:
13 kWh/天 × 2 天 = 26 kWh 26 kWh / 0.8 ≈ 32.5 kWh
所以这种情况下,我需要选择一个至少有32.5kWh 的电池系统。
逆变器
逆变器负责将光伏板和电池输出的直流电 转换成家用电器使用的交流电。
逆变器功率计算:逆变器额定功率 ≈ 峰值功率 × 1.5或2
- 逆变器的额定功率 必须大于 所有可能同时开启的设备功率之和(即峰值功率)。
- 从前例表格得到,峰值功率为 2570W 。
- 经验法则: 为了应对电器启动时的瞬时高功率(如冰箱、空调启动),并留出余量,通常选择峰值功率的1.5-2倍。
所以我适合选的逆变器,应有额定功率 = 2570W × 1.5 ≈ 4125W 所以,选择一个 5kW左右 的逆变器比较合适。
逆变器容量:这是逆变器一次能提供的最大功率。它以为单位,并且应该高于您的功率需求。您可以通过将功率需求除以逆变器的功率因数(效率)来计算逆变器的伏安 (VA) 值。功率因数通常在 0.6 到 0.8 之间。例如,如果您的功率需求为 634 瓦,功率因数为 0.7,则您的逆变器容量为 634/0.7 = 906 VA。您可以为您的家庭选择伏安 (VA) 值为 900 或 1000 的逆变器。
发电机
发电机是系统在极端情况下的补充。逆变器无论是离网还是混合,能够与发电机配合工作,关键在于逆变器能支持 “交流耦合AC Coupling ——即不需要将交流电先整流成直流电,再通过内部的DC-DC转换器。
通常逆变器会在交流母线上进行智能调度: - 如果家里用电需求是3kW,而发电机只提供了2kW,逆变器会自动从电池中调用1kW来补足。 - 如果发电机提供了5kW,而家里只用掉2kW,那么剩下的3kW就会被用于给电池充电。
先修知识
计算示例:华为Nova 5 Pro的电池和充电器
参数规格:
电池:3500mAh (即3.5Ah)
充电器:
– Input 100~240V, 50/60Hz, 1.2A
– Output 5V 2A 或 9V 2A 或 10V 4A (Max 40W)
放电
基于电荷守恒,3.5Ah的电池意味着,理想情况下(即电压保持不变,电池内阻为零所以不发热,能量100%转化为有用功的情况下):
| 如果以这个恒定电流放电: | 电池可以工作这么多个小时: |
|---|---|
| 0.5A | 7 hours |
| 1A | 3.5 hours |
| 3.5A | 1 hours |
注意:通常来说,锂电池标称电压为3.7V。更准确些描述,锂电池满电状态约4.2V(充电截止电压);放空状态约3.0V(放电截止电压)。电压在3.0V~4.2V之间波动是正常现象。
充电
充电时间 ≈ 电池容量(Ah) / 充电电流(A) × 效率系数(通常取 1.2~1.5)
充电器支持三种充电模式,Output 5V 2A (普通充电)、 9V 2A (快充)和 10V 4A (Max),那么:
| 模式 | 充电电流 | 理论充电时间(假设效率系数取值1.2) |
|---|---|---|
| 普通充电模式 | 2A | 3.5Ah / 2A × 1.2 = 2.1小时 |
| 快充模式 | 2A | 3.5Ah / 2A × 1.2 = 2.1小时 |
| 高功率快充 | 4A |
充放电过程中的电压变化
-
注意:Ah是容量单位(多少个电荷),Wh是能量单位(多少能量)。所以这块3500mAH的电池的充满后,所包含的能量是: 3.7V × 3.5Ah ≈ 13Wh(瓦时)。
-
电源管理芯片主动调节电压和电流的(以维持功率等目的)。BMS系统监控和保护,如:
- 过放保护:当电池电压低于阈值(e.g.3.0V)时,BMS切断输出,防止电池损坏。
- 过流保护:若电流超过安全值(如短路),BMS会切断电路。
- 均衡控制:在多节电池组中,BMS确保各节电池电压平衡。
| 过程 | 发生的事情 | 举例 |
|---|---|---|
| 充电时 | 电池会从3.0V开始被充电,电压逐渐升高至4.2V(快充时会短暂超过4.2V,但由BMS控制安全范围) | 手机显示“100%电量”时,电池实际电压约为4.2V |
| 放电时 | 使用设备时,电压从4.2V逐渐下降 | 手机显示电量50%时,电压约3.7V; 电量20%时,电压约3.4V; 电量0%时,电压降至3.0V(设备自动关机以防止过放) |
| 放电时 | 一般电源管理芯片会让电池以恒定功率放电,所以会动态调整电流——若电池电压下降,设备会增大电流以维持功率(例如维持 5W 功率,电压从 5V 降到 4V,则电流从 1A 升到 1.25A)。此时放电时间会缩短(因为电流增大),同时电池发热增加,能量损耗加剧 | BMS会通过降压或升压电路来,手机显示的“百分比”是基于电压和电流积分(库仑计)的综合计算,而非直接读取电压。 |
电池老化后的电压变化 锂电池寿命终结的标志不是电压消失,而是容量衰减和电压维持能力下降:
容量衰减: 新电池:3500mAh; 老化后:可能仅剩2000mAh(电量“缩水”)。
电压特性变化: 老化电池可能无法充至4.2V(如最高仅4.0V),或放电时电压骤降(如从4.2V瞬间掉到3.5V)。 表现:手机显示“100%电量”但续航极短,或电量从20%直接跳至关机。
低功率设备(<1kW):
路由器(10W)、手机充电器(20W)、LED灯(5-50W)、电视(100-300W)、笔记本电脑(50-100W)。
中功率设备(1-2kW):
微波炉(1-1.5kW)、电饭煲(0.6-1.5kW)、吸尘器(0.5-2kW)、电热水壶(1.5-2kW)。
高功率设备(2-3kW以上):
空调(制热/制冷时约1-3kW)、即热式电热水器(6-8kW)、电烤箱(2-3.5kW)。
典型家庭场景的实时总功率
轻度使用(仅基础设备):约0.5-1kW(如照明+电视+路由器)。
中度使用(日常做饭+制冷):约3-5kW(如空调+冰箱+微波炉+电饭煲)。
重度使用(冬季制热或多设备运行):可能超过6kW(如即热式热水器+空调+多台高功率设备)。
光伏板参数 Solar Photovoltaic (PV)
逆变器参数
额定输出功率 = Rated Continuous Power
这个参数就是平常大家口中“XX千瓦逆变器”中的这个XX千瓦,指的是逆变器可长期稳定输出的最大交流电(AC)持续功率,是逆变器的核心能力指标。
比如,
例如,1kW逆变器可长期带动≤1kW的交流负载。
为什么逆变器功率要与负载匹配? 基本原则
逆变器的额定功率需 ≥ 所有负载的累计最大功率。
示例:若负载为200W的照明和路由器,1kW逆变器足够;若负载包括冰箱(启动功率可能达800W),则需确保逆变器的峰值功率覆盖800W。 过低功率的后果
超载会导致逆变器过热、停机或损坏。
过高功率的问题
增加成本且可能降低低负载时的效率(部分逆变器在低负载时转换效率下降)。
峰值功率 = Peak Power
部分逆变器还标有更高的峰值功率(如1.5kW),用于支持电机等设备的瞬时启动电流(短时过载,通常几秒到几分钟)。
电池参数
储能电池参数0.5P和0.5C都是什么意思?
Ah是形容什么的、wh是形容什么蛋
要确定一个 10.24kWh 电池包 的 P(并联) 和 S(串联) 电芯配置,需要以下关键参数:
-
单颗电芯的容量(Ah)
• 例如:3.2V 50Ah(磷酸铁锂LiFePO₄常见)或 3.7V 50Ah(三元锂NMC常见)。 -
电芯的电压(V)
• 磷酸铁锂(LiFePO₄):标称电压通常 3.2V• 三元锂(NMC):标称电压通常 3.7V
-
电池包的总电压(V)
• 由系统需求决定(如电动车常用 48V、72V、400V 等)。
• 总能量(Wh)= 总电压(V) × 总容量(Ah)
• 总容量(Ah)= 单颗电芯容量(Ah) × 并联数(P)
• 总电压(V)= 单颗电芯电压(V) × 串联数(S)
公式:
[
\text{10.24kWh} = \text{S} \times \text{电芯电压} \times \text{P} \times \text{单芯容量}
]
| 电芯类型 | 单芯参数 | 系统电压 | 串联(S) | 并联(P) | 总能量 | 适用场景 |
|---|---|---|---|---|---|---|
| 磷酸铁锂3.2V | 50Ah | 48V | 15 | 4 | 9.6kWh | 储能/低速电动车 |
| 三元锂3.7V | 20Ah | 400V | 108 | 2 | 16kWh | 电动汽车 |
| 磷酸铁锂3.2V | 100Ah | 51.2V | 16 | 2 | 10.24kWh | 精准匹配需求 |